1. Overview of the industry
Milling machine is a kind of widely used machine tools, milling cutter in the processing of machine tools on the surface of the workpiece. Usually cutter rotating movement is given priority to, (and) the movement of the cutter for the workpiece feeding movement, milling machine can processing plane (horizontal plane, vertical plane), trench (key, T slot, dovetail groove, etc.), gear parts (gear, spline shaft, wheel, spiral surface (threads, spiral groove), and various surface. In addition, can also be used on the surface of a solid of revolution, the inner hole machining and cutting work. Milling machine at work, the workpiece on the workbench or dividing first-class accessories, cutter rotating movement, accompanied by a table or milling head feed movement, the workpiece can obtain the required processing surface. Because the cutter is discontinuous, and therefore the productivity of milling machine is higher. Simply put, the milling machine is to use cutter to milling the workpiece in the machine. Milling machine is to use cutter to milling the workpiece in the machine. Also can processing complex surface, high efficiency of a planer, widely used in machinery manufacturing and repair department.
2. The process characteristics
(1) The control system need high response speed, high flexibility, motor can rapid FWD &REV and Acceleration /deceleration switch running;
(2) Cutting guarantee + / - 0.2% accuracy, high stability;
(3)complex Processing, irregular shape parts requires qualified rate is as high as 98% above;
(4)It can realize high efficient cutting and high precision; Implementation strong output torque at low speed or high-speed.
3. The system configuration
Milling machine is composed of the following system: 1. The main drive system; 2. To the feed system; 3 implementation artifacts turning, positioning equipment and accessories; 4 some parts and auxiliary function of the system and devices, such as hydraulic, pneumatic, lubrication, cooling system, such as chip removal, such as protective devices.
To realize the feed system, workpiece rotation, positioning, etc., mainly Through servo system implementation.
Inverter is mainly used in main drive system, control the speed of spindle are given according to the numerical control host system operation, output torque, ensure enough to cutting accuracy and stability.
4. The system plan selection
Selection of converter and capacity calculation
converter type according to the capacity of the ac motor and choose specific working current, normal milling machine in the working process of the converter low frequency torque, smooth output, choose POWTRAN PI9000 inverter, the inverter adopts the advanced vector control without speed sensor, high torque at low speed, stable running, stop speed, quickly torque dynamic response, high steady speed precision, complete strong anti-interference ability function. Used in various industries. Has very stable performance.
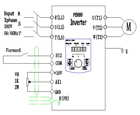
5. POWTRAN PI9000 electrical diagram & field application

6. POWTRAN PI9000 parameter setting
Function of converter set:
CNC milling machine system use two channels analog signals control the spindle rotation, analog voltage signal 0 ~ 10 v, or analog 4 ~ 20 ma current signal, speed stability, smooth operation for requirements.
Thus POWTRAN PI9000 inverter parameter should be set as follows:
|
Function code |
Function description |
set value |
remarks |
|
F0.00 |
Motor control manner |
0 |
Vector control W/O PG |
|
F0.11 |
Command source selection |
1 |
Terminal block control |
|
F0.03 |
Frequency source master setting |
2 (AI1) |
Analog voltage signal (the user can choose their own) |
|
F0.19 |
Maximum output frequency |
100HZ |
Requirements set by the user |
|
F0.21 |
Upper limit frequency |
100HZ |
|
|
F0.13 |
Acceleration time 1 |
5S |
|
|
F0.14 |
Deceleration time 1 |
4S |
|
|
F3.08 |
Initial frequency of stop DC braking |
0.5HZ |
Need to plus braking resistor |
|
F3.09 |
Waiting time of stop DC braking |
0 |
|
|
F3.10 |
Stop DC braking current |
100 |
Need to plus braking resistor |
|
F3.11 |
Stop DC braking time |
1 |
|
|
B0.01 |
Rated power |
4KW |
motor nameplate parameters |
|
B0.02 |
Rated voltage |
380V |
|
|
B0.03 |
Rated current |
8.5A |
|
|
B0.04 |
Rated frequency |
50HZ |
|
|
B0.05 |
Rated speed |
1460 |
|
|
B0.27 |
Motor parameter auto tunning |
1 |
asynchronous motor parameters comprehensive auto tunning |
|
F4.09 |
Slip compensation coefficient |
100 |
Requirements set by the user |
|
F5.08 |
Upper limit digital setting for lower torque under speed control mode |
150 |
|
|
F1.00 |
DI1 terminal function selection |
01 |
Forward run |
|
F1.01 |
DI2 terminal function selection |
02 |
Reverse run |
7. POWTRAN PI9000 characteristics
PI9000 inverter used in milling machine has the following features:
1, high productivity, cutting high accuracy, high stability, high flexible requirements;
2, well dynamic response, motor spindle high-speed running stable;
3, constant torque output;
4, steady speed, high precision, low speed when the rate of change is small.
8.POWTRAN PI9000 product photograph

